TT ADL 開発者がアルゴにて時間とタイマーを使用する必要のある状況があります。ADL は、いくつかのブロックやメカニズムをつうじてこの機能を提供しています。これらのうち幾つかは TT ADL の新機能です。以下にそれぞれ使用実例を説明しています。
Stopwatch ブロックではユーザーが、ミリ秒で離散イベントの時間の遅延を設定できます。ミリ秒数は関連の緑色のキャンバスの出力として指定されるので、内部のロジカル状態に基づいて異なります。

これが便利である場合の例として、約定と追加の注文発注の間での遅延を設定することです。以下のアルゴでは、Order ブロックにフィードされる枚数が増加する前に、約定メッセージでは10秒間の遅延があります。

Generator ブロックの新規の AtStartTime モードを使って、通知のメッセージを送る日付と時間を指定できます。AtStartTime モードの際、UTCDate と UTCTime コネクターの両方を表示します。これは年、月、日、時間、秒、ミリ秒で構成されています。指定した UTC 日付と時間に達すると、離散イベントは出力ポートから伝搬されます。

これが便利である場合の例として、特定の日付と時間に Order ブロックのオン・オフ入力ポートを更新することです。以下のアルゴにて、Order ブロックが2017年7月14日 15:00:00.000 (米国中央時間帯) まで有効化されます。

Generator ブロックの新規の AtStartTime モードを使って、通知のメッセージを送る毎日の時間を指定できます。AtStartTime モードの際、UTCTime コネクターを表示します。これは時間、秒、ミリ秒で構成されています。指定した UTC 時間に達すると、離散イベントは出力ポートから伝搬されます。これは毎日繰り返されます。

これが便利である場合の例として、特定の時間に Order ブロックのオン・オフ入力ポートを更新することです。以下のアルゴにて、Order ブロックが 3:00:00.000 (米国中央時間帯) に有効化されます。

Generator ブロックの機能強化された TimeInterval モードを使って、指定した時間の間隔が経過した際に、離散メッセージ通知を送るように指定できます。このモードにある場合、有効化、繰り返し、periodMs の入力ポートが露出されます。有効化ポートを使って、タイマーを有効化または無効化でき、繰り返しポートを使って、イベントを繰り返すことができ、さらに periodMs ポートを使って、時間の期間をミリ秒で定義できます。これらのすべてを動的に設定できます。

これが便利である場合の例として、特定の時間の間隔で Order ブロックの価格ポートを更新することです。以下のアルゴで、注文が 500ミリ秒毎に買値と同じ値に再価格設定されます。

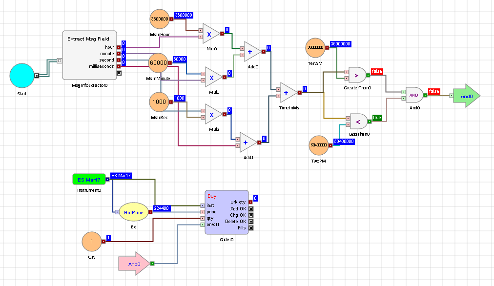
新規の MsgInfo Extractor ブロックを使って、イベントが発生した日付と時間を露出することができます。特に言えば、年、月、日、時間、分、秒、ミリ秒の出力ポートを露出します。これらは離散イベントが MsgInfo Extractor ブロックに入ると常に更新されます。日付と時間のスタンプは、ブロックがメッセージを受信する時間の一点を示しています。

これが便利である場合の例として、アルゴが特定の時間の間に開始される場合のみ必ず Order ブロックが有効化されるように確認することです。以下のアルゴでは、10:00:00.000 UTC ~ 14:00:00.000 UTC の間にアルゴが開始される場合のみ、Order ブロックが有効化されます。

注: Clock ブロックは X_TRADER バージョンの ADL で利用できますが、TT バージョンの ADL には含まれていません。TT ADL でも技術的には同じメカニズムを作成できますが、ご使用のアルゴの性能で深刻な低下が起こる可能性があるので、TT ではこれを勧めていません。

アルゴで時間とタイマーを使用する必要がある場合、TT ADL ではこれを行う幾つかのブロックやメカニズムを提供しています。