ADL ではテクニカル指標を作成する方法をいくつか提供しています。このヘルプトピックでは、OHLC (始値、高値、安値、終値) の時系列足と VWAP (出来高加重価格指標).
この最初の ADL キャンバスは、Analytics ブロックを使って、1分の時間間隔で時系列足を更新します。

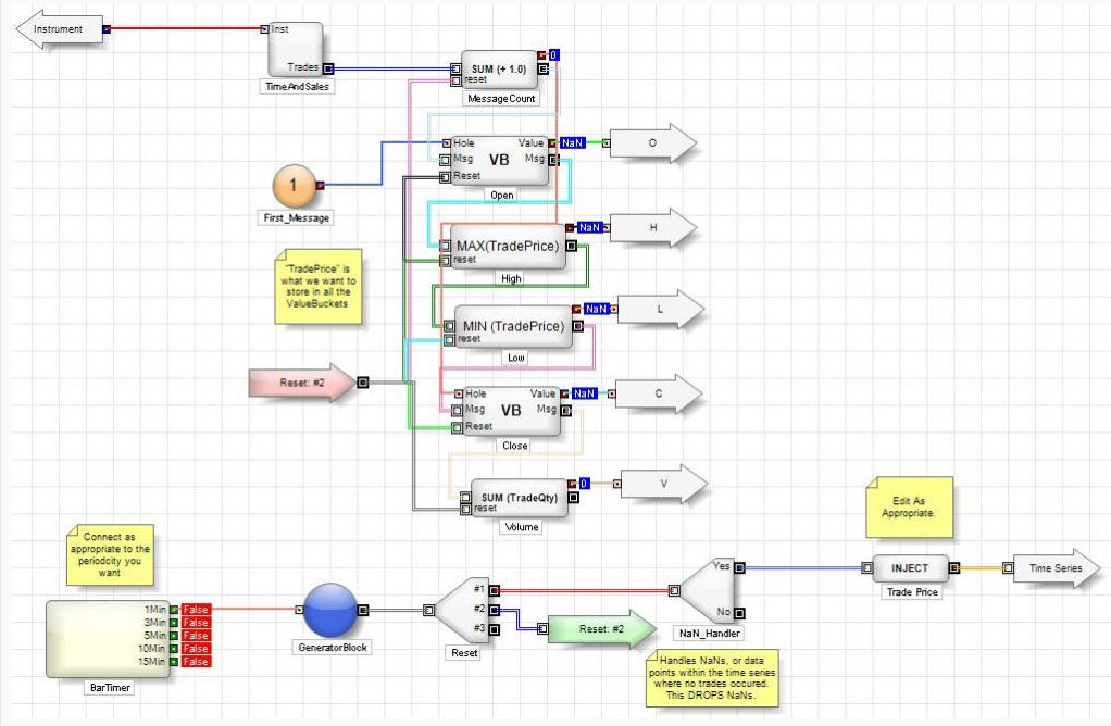
Time and Sales ブロックを使って OHLC を作成するこの方法と、様々な「時系列」計算に対してブール条件値をトリガーする方法を比較できます。

さらに、以下のコード サンプルは、1 分の OHLC 値を作成して保存する方法を説明しています。この例では、現在の動作と一緒に、過去の 4本足が追跡されます。値は Time and Sales ブロック外で計算され、毎分にスナップショットが取られます。バー データが読み込まれるのに 4 分かかります。何も取引されない1分間の期間がある場合、その期間のスナップショットは取られません。また、ブロック注文は歩み値フィードからフィルター除外されます。